任丘市富翔科技有限公司

13103378766
rqfxkji@163.com
伯朗特智能制造共享平台-指定供应商

设为首页 | 收藏本站
欢迎光临任丘市富翔科技有限公司!
新闻推荐

新闻推荐

NEWS

产品详情

产品详情

PRODUCT DETAILS

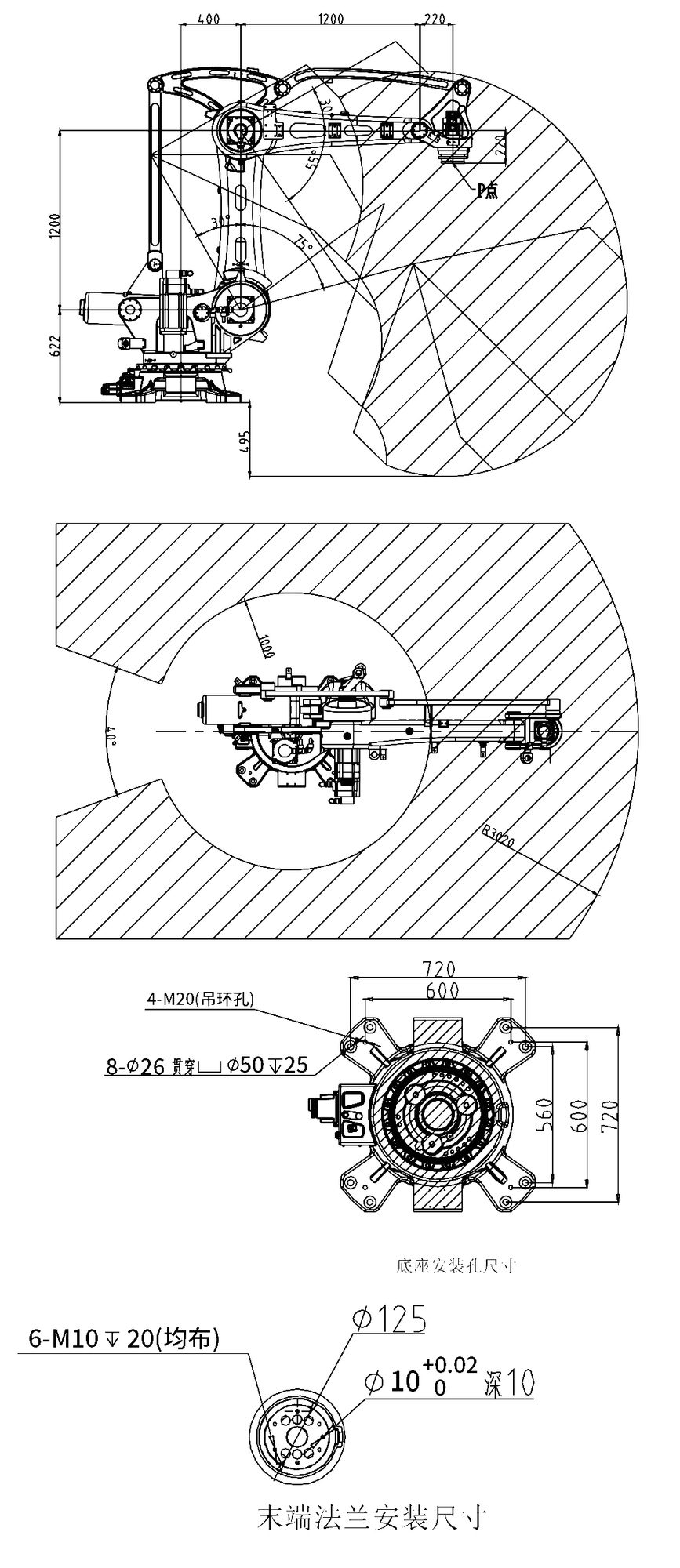
四轴机器人-BRTIRPZ3013A

产品详情

08.jpg


BRTIRPZ3013A是伯朗特机器人股份有限公司针对某些单调、频繁和重复的长时间作业,或是危险、恶劣环境下的作业等而开发 的 一 款 四 轴 码 垛 机 器 人 ,其 拥 有3020mm臂展,**负载可达130kg。具有多自由度的灵活性,对上下料、搬运、拆垛、码垛等场景能够应对自如。防护等级高-IP54,防尘防水精度高一重复定位精度±0.15mm。


01.jpg01.jpg

任丘市富翔科技有限公司

       联系人:马经理                          电话:13103378766  13832725876                       E-mail: rqfxkji@163.com                       官网:www.rqfuxiang.com              河北省沧州市任丘市出岸镇北漕口一村737号