任丘市富翔科技有限公司

13103378766
rqfxkji@163.com
伯朗特智能制造共享平台-指定供应商

设为首页 | 收藏本站
欢迎光临任丘市富翔科技有限公司!
新闻推荐

新闻推荐

NEWS

产品详情

产品详情

PRODUCT DETAILS

四轴机器人-BRTIRPZ1825A

产品详情

06.jpg


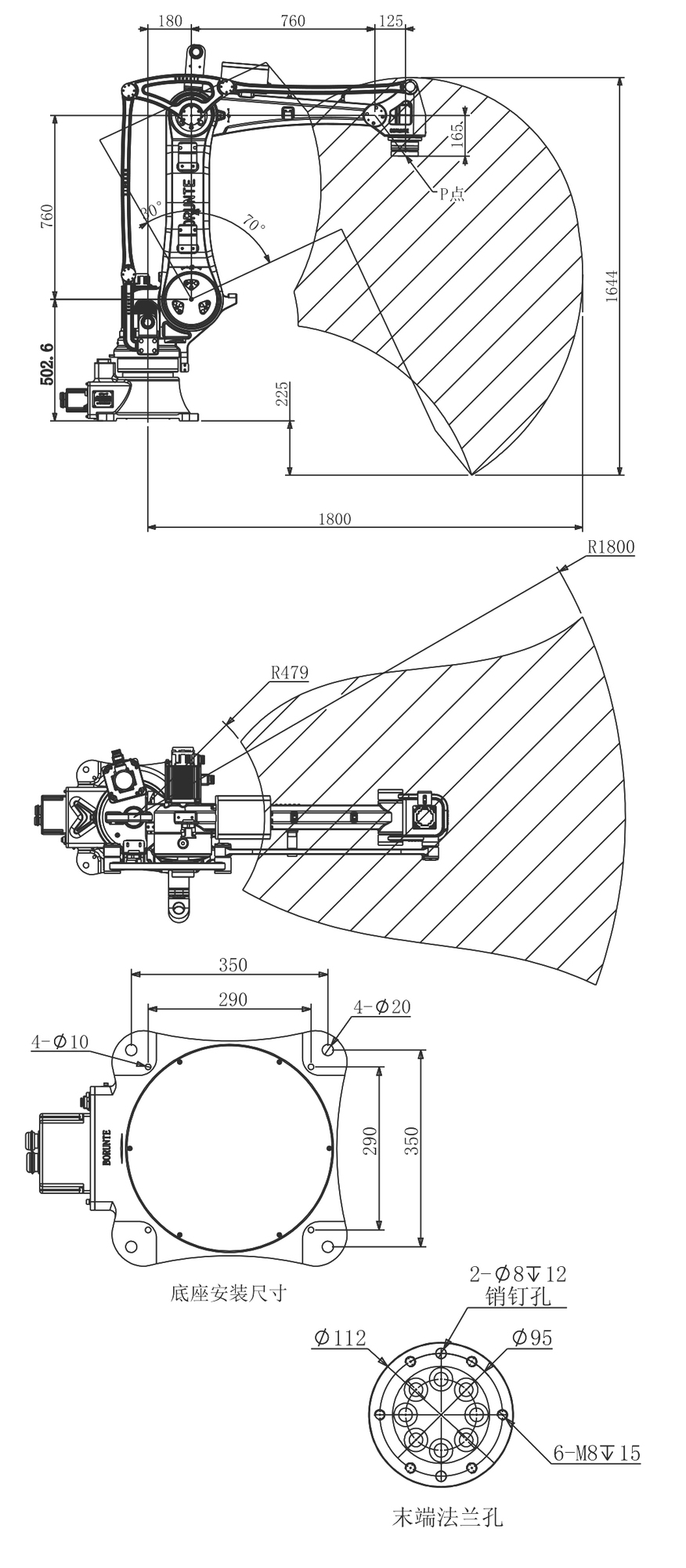
BRTIRPZ1825A是伯朗特机器人股份有限公司针对某些单调、频繁和重复的长时间作业,或是危险、恶劣环境下的作业等而开发的一款四轴码垛机器人,其拥有1800mm臂展,**负载可达25kg。具有多自由度的灵活性,对上下料、搬运、拆垛、码垛等场景能够应对自如。防护等级高-IP54,防尘防水精度高一重复定位精度±0.08mm。


01.jpg

01.jpg


任丘市富翔科技有限公司

       联系人:马经理                          电话:13103378766  13832725876                       E-mail: rqfxkji@163.com                       官网:www.rqfuxiang.com              河北省沧州市任丘市出岸镇北漕口一村737号